Home
2000 Series Grippers
Optional Extras
> Sensor Mounting Kits
> Protective Covers
> Failsafe Kits
Refurbishments
Contact us
2000 Series
2028-13
2050-25
2065-45
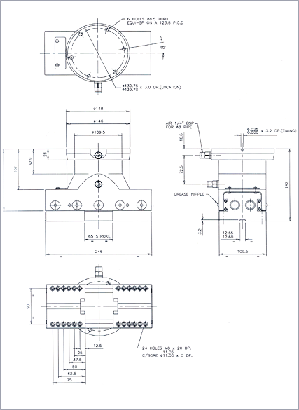
2100-65
2100-65
Stroke:
65mm
Mass:
7.4g
External
Clamping Force:
2000N
Failsafe
Clamping Force:
400N-1650N
Optional Extras
2000SK- Sensing Kit
2000S- Sensor
2000L- Sensor Cable
2100FK- Failsafe Kit
2100PC- Protective Cover Kit
Sensor Mounting Kits
Protective Covers
Failsafe Kits
CAD Downloads and Dimensional Data
2100-65 Gripper